如何計算絲桿升降機的升降速度
選擇升降機時不論靜載、動載、沖擊載荷均不得超過其允許承受的最大載荷,根據安全系數、使用行程、校對絲桿的穩定性,選擇具有充分容量的升降機。
一定要注意絲桿軸轉速與承受的載荷進行搭配,對于升降機的容許最大載荷、容許外加負載、容許絲桿軸的旋轉速度等項目進行校驗,如果超過產品的數據將會造成升降機設備整體的重大損傷
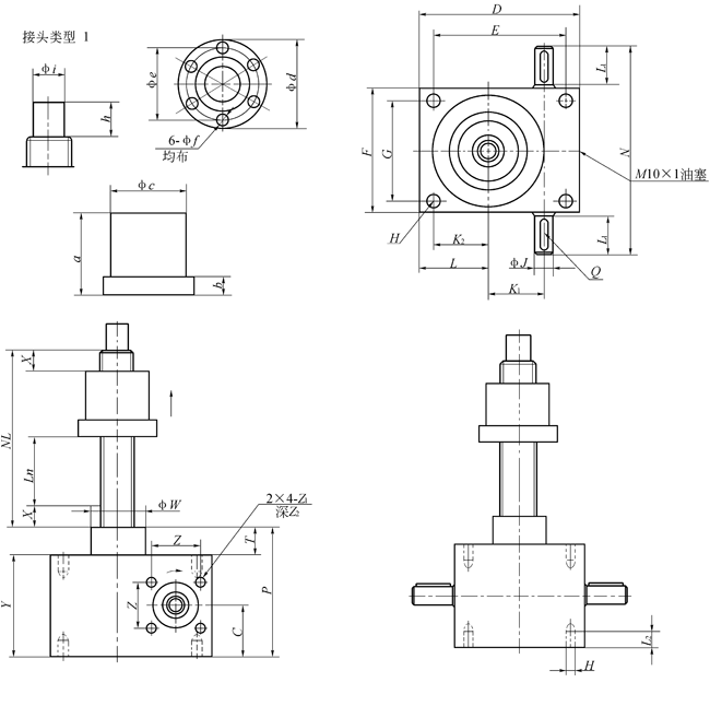
絲桿升降機是一種基礎起重部件,符合JB/T8809—1998(原JB/ZQ4391—86)標準。承載能力2.5—120T。具有結構緊湊、體積小、重量輕、動力源廣泛、噪音小、安裝方便、使用靈活、功能多、配套形式多、可靠性高、使用壽命長等優點。絲桿升降機是一種具有起升、下降及借助輔件推進、翻轉及各種高度位置調整等功能的基礎起重部件,本品廣泛用于機械、冶金、建筑、化工、醫療、文化衛生等各個行業。
很多客戶電話咨詢絲桿升降機的提升高度的計算方法。今天我們給大家講解一下,希望能幫到大家。對大家以后有個幫助。
(本文適用于:JWB滾珠絲杠升降機,SWL絲桿升降機,MA螺旋絲桿升降機,QWL絲桿升降機,SJ螺旋絲杠升降機,JWM絲杠升降機,SJA螺旋絲杠升降機,SL錐齒輪絲杠升降機,)
螺旋升降機有快速P、慢速M兩種速度,這是由蝸輪蝸桿傳動比決定的。
以SWL2.5絲桿升降機為例
假定
快速SWL絲桿升降機,速比為6:1
慢速SWL螺旋升降機,速比為24:1
同時絲桿的螺紋尺寸(即螺距)是固定的
計算升降速度的重要參數----螺距
SWL2.5的螺距為6mm,那么以4P普通電機來計算(4極輸出轉速1450r/min).
當絲桿升降機
快速時升降速度:1450輸入轉速÷6速比×6mm螺距=1450mm/min
慢速時升降速度:1450輸入轉速+24速比×6mm螺距=362mm/min
當絲桿升降機行程為500mm,走完全程所需要時間為:
快速時:500mm:(1450mm/60s)=20.7s
慢速時:500mm÷(362mm/60s)=83s
慢速時:500mm÷(362mm/60s)=83s



- 上一條絲桿升降機電機無法運行是什么原因?
- 下一條梯形升降機的工作原理

24小時服務熱線